| Name | Last modified | Size | Description | |
|---|---|---|---|---|
| Parent Directory | - | |||
| 4310.jpg | 2020-07-25 02:59 | 141K | ||
| 4310ad.jpg | 2020-07-25 03:02 | 635K | ||
| 4310back.jpg | 2020-07-25 03:01 | 190K | ||
| 4310backleft.jpg | 2020-07-25 03:01 | 198K | ||
| 4310backmid.jpg | 2020-07-25 03:01 | 131K | ||
| 4310backright.jpg | 2020-07-25 03:01 | 141K | ||
| 4310inside.jpg | 2020-07-25 03:01 | 263K | ||
| 4310left.jpg | 2020-07-25 03:04 | 45K | ||
| 4310right.jpg | 2020-07-25 03:01 | 61K | ||
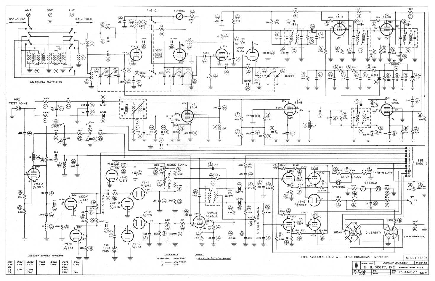
| 4310schem1.jpg | 2020-07-25 03:04 | 207K | ||
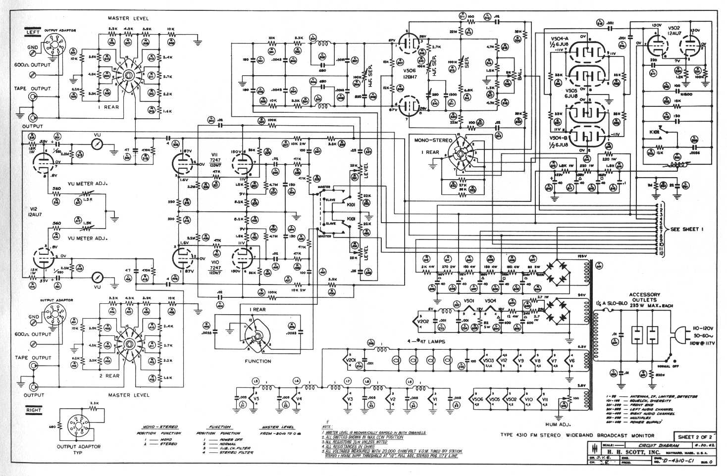
| 4310schem2.jpg | 2020-07-25 03:05 | 216K | ||